当前位置: |
/ 甲胺萃取精馏塔 |
当前位置: |
/ 甲胺萃取精馏塔 |
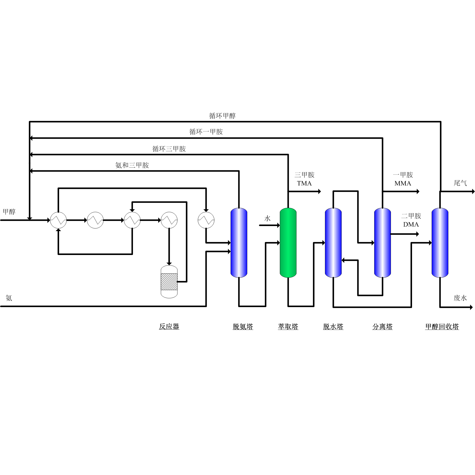
甲胺是重要的有机化工原料之一,特别是近年来,作为电解液N,N-二甲基甲酰胺(DMF)的重要前驱体,甲胺市场迎来了快速发展。甲胺由甲醇和氨在催化剂条件下反应生成一甲胺、二甲胺、三甲胺的混合粗品,经过典型的“五塔连续精馏”工艺,即脱氨塔、萃取塔、脱水塔、分离塔及甲醇回收塔,得到一甲胺、二甲胺、三甲胺产品。
反应来的粗甲胺进入脱氨塔,塔顶得到氨和三甲胺的共沸物返回合成工序,塔釜液送入萃取塔,萃取塔用水作为萃取剂由塔上部加入,塔顶蒸出三甲胺产品,塔底物料送入后续分离塔。萃取塔的分离效果影响到三甲胺产品的纯度,还会影响到后续产品的纯度,在分离工序中处于关键位置。
泽华基于对萃取精馏工艺的理解和对该塔工艺计算模型的深入研究,结合该体系塔内件设计专有技术,使得泽华在甲胺装置萃取塔的整体设计上具有明显的技术优势:产品分离精度高,能耗低,操作稳定,设备尺寸小。
泽华于2017,2018年针对浙江江山化工股份有限公司的两套甲胺萃取塔进行了改造,在产量,指标,能耗方面均有大幅提升,获得行业内广泛赞誉;随后,在九江心连心,泰安汉威化工,山东滨华新材料,河南心兴化学等甲胺项目中提供了甲胺萃取塔的工艺核算和内件设计,全部开车成功,达到预期分离效果,表现出泽华萃取塔技术的优异性能。