当前位置: |
/ 煤制乙醇装置 |
当前位置: |
/ 煤制乙醇装置 |
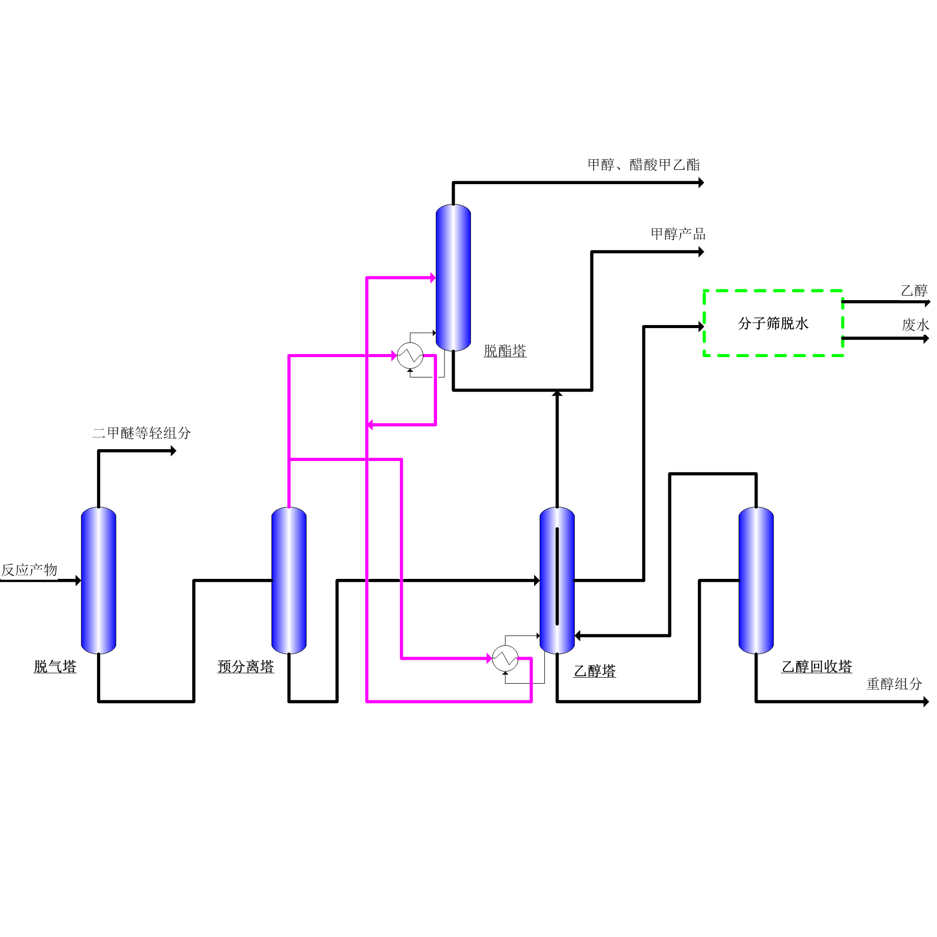
合成气经二甲醚羰基化制乙醇(DMTE)技术,由中科院大连化物所开发,全球首套煤基乙醇10万吨/年工业示范装置,于2017年开车成功,产出99.71%的无水乙醇。2020年,泽华与延长中科(大连)能源科技有限公司签署了战略合作协议,共同推进DMTE技术中乙醇分离工艺的优化。
泽华为DMTE开发的分离新工艺采用隔壁塔+多效精馏的技术路线,乙醇主要通过预分离塔、乙醇塔、回收塔3个塔进行分离;预分离塔顶的甲醇出料经过脱酯塔一次性脱除甲乙酯;乙醇塔采用隔板塔,塔顶除轻杂质,侧线出含水乙醇产品;增设回收塔,回收重组分中的乙醇。
新的工艺路线可使侧线产品质量大幅提高,甲醇、丙醇含量大幅降低,还可根据不同乙醇产品指标要求定制化设计,生产满足燃料乙醇、无水乙醇或工业乙醇等多种标准的乙醇产品,大幅提升生产企业的市场竞争力;同时,泽华的新工艺使得系统热量匹配更容易,显著降低吨产品能耗;此外,该工艺还具有投资省、可靠性高等特点,因此,在2022年河南利源20万吨/年乙醇装置首次应用后,泽华的隔板分离工艺因其技术优势明显,且操作稳定,能耗低,每个产品(循环产品及终端产品)的指标均优于同类开车装置,已成为DMTE工艺包配套首选分离工艺。